IE3 VERT HF-2 758(2.850 RPM) 400/690 V
2 470 000 Ft
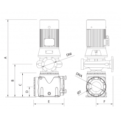
SACI HF-2 öntvény centrifugál szivattyú
Nagy teljesítményű szivattyú közületi használatra. Egy nagy teljesítményű centrifugál szivattyú, amelynek bemenetéhez egy előszűrőt csatlakoztattak, így ezek ideális szivattyúk nagy úszómedencék szűrőegységeihez.
Az elektromos hajtómű a centrifugál ház megbontása nélkül cserélhető a tengelynek köszönhetően.
Jellemzők:
- Bronz vagy öntvény szivattyútest és előszűrő
- Öntvény járókerék (kérésre bronz)
- A motor tengely és előszűrő kosár anyaga AISI 316 rozsdamentes acél
- A csúszógyűrű anyaga carbonkerámia (kérésre silicon-karbid)
- Alacsonyabb üzemi motorhőmérséklet
- IP55 motorvédelem
- 2850-es fordulatszám
