FHB Norm Ø1600 60m3/h D160/140

FHB Norm Ø1600 60m3/h D160/140

3 389 000 Ft

FHB Norm Ø1600 60m3/h D160/140

Mennyiség

  A szűrő anyaga üvegszál erősítésű laminált poliészter.
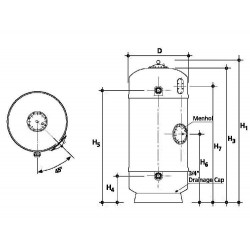
Tartozéka a nyomásmérő óra, légtelenítőszelep, felső és oldalbúvó nyílás (D1250mm-ig Ø200mm, felette 400mm)
Figyelőablak, vízgyűjtő tölcsér.
Szabad magasság 0,4m
Megnövelt csonk méretek az öblítővíz megfelelő elvezetéséhez.
Szűrőágy magasság 1,0 -1,2m, kollektor karokkal szerelve. (opció: szűrőlap)
Teszt nyomás 3,5 kg/cm2, üzemi nyomás 2,0 kg/cm2.
Szűrési sebesség max.:30 m/h.
Tartályok rendelhetőek 4,0 és 6,0 kg/cm2 üzemi nyomáshoz is.
Tartályok kérésre rendelhetőek vinilészter bevonattal (ózonnak ellenálló kivitel)
   
  Méret:
 
D 1600mm
H1 2430mm
H3 2360mm
H4 885mm 
H5 1665mm
H6 1035mm
H7 1635mm
Felső csatlakozás 160mm
Alsó csatlakozás 140mm
Térfogatáram (m3/h-30m/h) 63
Homok 4100mm
Nettó súly 365 kg
035416

Kapcsolódó termékek: