FHB Norm Ø630 9m3/h D75/50
1 022 000 Ft
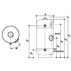
FHB Norm Ø630 9m3/h D75/50
■ A szűrő anyaga üvegszál erősítésű laminált poliészter. Tartozéka a hatfunkciós kézi váltószelep (kivéve D1000mm), nyomásmérő óra, légtelenítőszelep, felső és oldalbúvó nyílás(D1250mm-ig 200mm, felette 400mm), figyelőablak, vízgyűjtő tölcsér. ■ Szabad magasság 0,4m. ■ Megnövelt csonk méretek az öblítővíz megfelelő elvezetéséhez. ■ Szűrőágy magasság 1,0 -1,2m, kollektor karokkal szerelve. (opció: szűrőlap) ■ Teszt nyomás 3,5kg/cm2, üzemi nyomás 2,0 kg/cm2. Szűrési sebesség max 30 m3/h.
Súly:52.7kg
